|
Push In Fittings
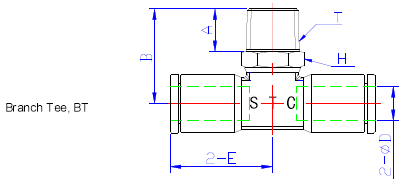
Model MES Dimensions:
Dimensions for Reference Use Only: Imperial fittings in Inch, Metric fittings
in mm, U.S.O.

All 316 Stainless Steel Push-In Fitting Operation Guide:
A. Installation of Pipe Fitting:
Apply an appropriate sealant onto the thread, tighten fitting by hand, then
turn it 2 to 3 turns with a wrench until it reaches the desire torque
listed below.
|
Recommendation of Torque
for Tightening Fittings
|
|
Fitting Pipe Size
|
Torque, lb-ft
|
Torque, kgf/cm
|
|
NPT1/8, R1/8
|
5-6.5
|
70-90
|
|
NPT1/4, R1/4
|
8.5-10
|
120-140
|
|
NPT3/8, R3/8
|
16-17.5
|
220-240
|
|
NPT1/2, R1/2
|
20-21.5
|
280-300
|
B. Installation of Tubing into Fitting:
1. Slowly push a clean and perpendicularly
cut piece of tubing into the fitting until it comes to a dead stop.
2. Pull the tubing back gently until the Collet of the fitting grips
onto the tubing and has a good seal.
3. Use Polyethylene, Polypropylene, Polyurethane or Nylon Tubing designed
for instant fittings.
Hard metal tubing, such as Stainless Steel tubing
as can be used if tubing is grooved
first.
C. Removal of Tubing from Fitting:
1. Push in evenly on the two sides of the Release Button.
2. Pull out the tube while keeping the Release Button depressed.
3. To reuse tubing: cut off the lodged portion of the previously used
tubing evenly and perpendicularly.
D. Tubing Size Requirements:
Follow the tubing size tolerance below:
Polyurethane Tubing: specified fitting size ± 0.004” max. (± 0.1 mm max.)
Polyethylene Tubing: specified fitting size ± 0.006” max. (± 0.15 mm max.)
Polypropylene Tubing: specified fitting size ± 0.004” max. (± 0.1 mm max.)
Nylon Tubing:: specified fitting size ± 0.004” max. (± 0.1 mm max.)
Pre-Grooved Metal Tubing:: specified fitting size ± 0.004” max. (± 0.1
mm max.)
E. Storage: Store Fittings in a dry, cool place and away from
sunlight.
F. Specification, Material of Construction and Schematic of Typical
Construction:
| Specifications |
|
Operating Pressure |
0 - 250 PSI |
0 - 1650 kpa |
|
Vacuum
|
0 - 29.5 in Hg
|
750 mm Hg
|
|
Operating Temperature
|
5 - 230 °F
|
-15 to 110 °C
|
|
Elbows
|
Swivel (rotate 360°)
|
|
Recommended Tubing Material
|
Polyurethane, Nylon, Polyethylene, and Polypropylene.
Hard metal tubing can be used if tubing is grooved first
|
|
Material of Construction |
|
Metal Body
|
316 Stainless Steel
|
|
One piece combination Release Button & Collet
|
316 series Stainless Steel
|
|
O-ring/Packing
|
Viton
|
 |
|
|