AllScare.com Makers of Fine Monstrosities | Call Now 914-347-6439
Home Video Gallery
The BodyFrame System
Animatronic Characters
Body Kits (To Create Your Own)
Body Frames (Bones)
Cylinders (Muscles)
Control Valves (
Animatronic Characters
Pneumatic Components
Heads Masks
Specialty Items
Pricing & Ordering
Contact Us
Visit SmallScare.com to see our Family-Friendly Animatronics!
Volume Discounts Available!
Newsletter Signup
Speed Control Valve Stainless Steel Tube Fitting Compression Fitting Directional Valve Solenoid Valve Air Actuated Valve Manual Air Valve Air Pressure Regulator Air Cylinder
1 Push In Fitting 2 Metal Fitting 3 Comp. Fitting 4 Solenoid Valve 5 Process Valve 6 Actuated Valve 7 Air Valve 8 Air Regulator 9 Air Cylinder

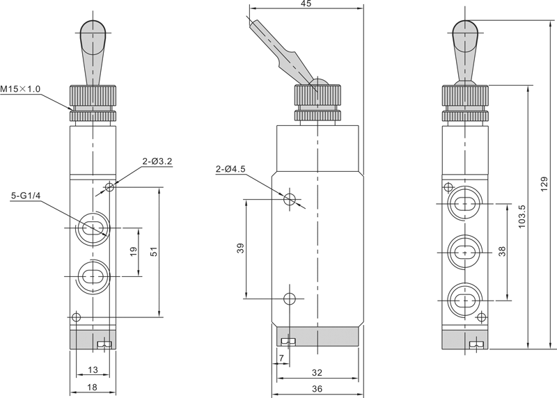
Hand Operated Air Valve Dimensions


 (UNIT=MM)

Toggle Air Switch 

 

MPV522

Working Medium

Air(to be filtered by 40μ filter element)

Port size

1/4"  NPT

Effective Cross Section Area

18mm2(CV=1.00)

Working Pressure

0~0.8MPa

Temperature

0~60oC

Panel Hole  15mm 

 TOGGLE AIR VALVE DIMENSIONS 

 
 
  Need Help? Our Experts are here to help! Call Now! (914) 347-6439
Home - The BodyFrame System - Pricing and Ordering - Contact Us
Copyright ©2026 AllScare, LLC All Rights Reserved. | Privacy Policy | Terms of Use | Website by J. Krowles Graphic Arts www.krowles.com