
|
S |
SA: Single Acting
DA: Double Acting |
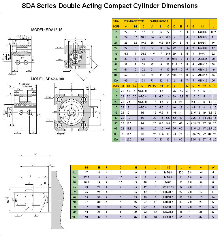
12
16
20
25
32
40
50
63
80
100 |
5 to 150 |
LB: Bottom Mount
FA: Front/Back Flange
CA: CLEVIS BRACKET with PIN
CB: CLEVIS BRACKET with PIN
TC: SWING
BRACKET
I: ROD CLEVIS with PIN
Y: ROD CLEVIS with PIN
(See below for picture)
|
NM: No Magnet
M: Magnetic Piston |
R: Reed Switch |
B: Buna-N Seal,
V: Viton Seal, |
F: Female Thread
M:Male Thread |